


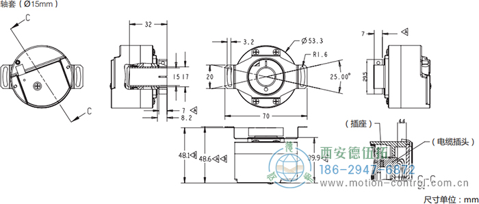
| 外形尺寸 |
外径:53mm(带外罩) 高度:47.6mm |
| 轴径 | 空心轴:15mm;锥轴:12mm(1:10) |
| 连接轴的轴向跳动 | ±0.8mm |
| 连接轴的径向跳动 | ±0.2mm最大。(包括轴的垂直度) |
| 最高转速 | 12000RPM |
| 防护等级 | IP40 |
| 工作温度 | -20`+120℃ |
| 存储温度 | -40`+120℃ |
| 相对湿度 | 95%(非冷凝) |
| 抗振动 | 25m/s2(5`2000Hz) |
| 抗冲击 | 1000m/s2(6ms) |
| 材料 |
轴承座:铝 外壳:铝 轴:黄铜 |
| 重量 | 200g |
| 电源电压 | 直流5V±10% |
| 最大空载电流 | 175mA |
| 增量信号 | A,B |
| 精度 | 最大2.5角分 |
| 相位检测 | 逆时针,A超前B 90°(从安装轴的方向看) |
| A至B的相位差公差 | ±45°电气 |
| 最大脉冲频率 | 300kHz |
| 信号电平 | 差分线驱动(RS 422) |
| 输出电流 | 40mA |
| 连接 | 插头(径向电缆) |
| 零位信号 | Z |
| 零位信号的脉冲宽度 | 180°(门控B高电平) |

| 针脚 | 颜色 | 功能 |
| 1 | 红 | VCC |
| 3 | 黑 | GND |
| 5 | 蓝 | A |
| 7 | 蓝/黑 | A |
| 9 | 绿 | B |
| 11 | 绿/黑 | B |
| 13 | 紫 | Z |
| 15 | 紫/黑 | Z |
| 16 | 屏蔽层 | 屏蔽 |



| 型号 | 轴 | 脉冲数/级数 | 安装 | 电气 | 连接 |
|---|---|---|---|---|---|
| □ | □ | □ | □ | □ | □ |
| HC53 |
H 锥孔轴(Φ12mm,锥度1:10 ) D 轴套(Φ15mm ) |
1024/0 2500/01 |
2 60mm 弹簧片 | 3 DC 5V 电源输入,RS 422 输出 | A 16针插头+0.3米电缆 |

在线QQ
186-2947-6872
在线咨询
扫描二维码
添加客服微信号
info@apebx.com
