RI58-H空心轴光电增量通用编码器
贯通空心轴
集成弹性联轴器,实现高精度
轴的安装比较安全
应用范围,如:纺织机器,电机,驱动器,复印机。
RI58-H空心轴光电增量通用编码器脉冲数
1 / 2 / 3 / 4 / 5 / 10 / 15 / 20 / 25 / 30 / 35 / 40 / 45 / 50 / 60 / 64 / 70 / 72 / 80 /
100 / 125 / 128 / 144 / 150 / 180 / 200 /
250 / 256 / 300 / 360 / 375 / 400 / 460 / 480 /
500 / 512 / 600 / 625 / 720 / 900 /
1000 /
1025 /
1250 / 1500 / 1600 / 1800 / 2000 / 2048 /
2500 / 3000 / 3480 /
3600 / 4000 /
4096 /
5000
应请求可提供其他脉冲数。
最常用的型号用粗体表示。
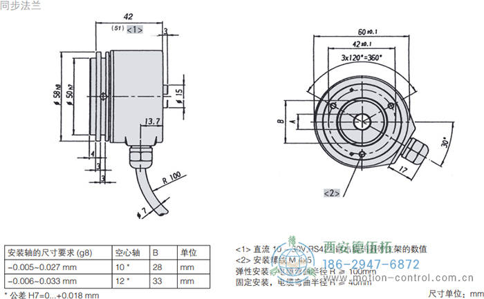
RI58-H空心轴光电增量通用编码器产品规格
外径:58mm
轴径或孔径:10mm/12mm
脉冲数或分辨率:1~5000
防护等级:IP64
最高转速:3,000 RPM
RI58-H空心轴光电增量通用编码器机械特性
轴径:10 mm、12mm空心轴
RI58-H空心轴光电增量通用编码器电气特性
电源电压:带RS 422 (R, T): 直流5V±10%(SELV)
带推挽(K, I): 直流10V - 30V
带RS 422 + 报警 (R) :直流5V±10%或直流 10 - 30 V
最大空载电流: 40 mA(直流5V)、60 mA(直流10V)、30 mA(直流24 V)
RI58-H空心轴光电增量通用编码器环境特性
防护等级(EN 60529):外壳IP 64,轴承IP 64
工作温度:-10℃- +70℃
RI58-H空心轴光电增量通用编码器订货说明
在订货时我们需要确认用户所购买的RI58-H空心轴光电增量通用编码器的相关参数,以免给您造成不必要的损失。以下是订货时需要确认的一些参数,以及参数说明,供您参考选型。
|
型号
|
脉冲数
|
电源电压1,2
|
法兰,防护等级,轴
|
输出
|
连接
|
|
□
|
□
|
□
|
□
|
□
|
□
|
|
RI58-H
|
1...5000
|
A 直流 5V
E 直流 10V-30V
|
B.32 同步法兰,IP64,10mm
B.37同步法兰,IP64,12mm
|
R RS422+ 报警
T RS422+ 传感
K HTL
I 推挽互补
|
B PVC电缆,径向
|
1 直流5V:仅对输出"T"和"R"有效。
2 直流 10~30V:仅对输出"K","I"和"R"有效。