RI80-E空心轴光电增量通用编码器
摘要:RI80-E空心轴光电增量通用编码器设计坚固、尺寸空间较大,确保长期免维护操作、无需经常进行维护。
R80-E可完美应用于下列场合,如:异步电梯曳引机、电机、工业机械、起重和港口机械。
RI80-E空心轴光电增量通用编码器
增量型输出
20 mm ~ 45 mm 空心轴
坚固的机械设计
不破碎码盘
宽电压范围:直流5V 或10 ~ 30 V
(机械)设计坚固、尺寸空间较大,确保长期免维护操作、无需经常进行维护。
R80-E可完美应用于下列场合,如:异步电梯曳引机、电机、工业机械、起重和港口机械。
脉冲数
250 / 256 / 500 / 512 / 1000 / 1024 / 2000 / 2048 / 2500 / 4096 / 5000 / 6000 / 7200 / 8000 / 8192 / 9000 / 10000
应请求可提供更高脉冲数。
RI80-E空心轴光电增量通用编码器产品规格
外径:100mm
轴径或孔径:20 mm ~ 45 mm
脉冲数或分辨率:250~10,000 应请求可提供更高脉冲数
防护等级:IP50 / IP64
最高转速:3,600 RPM
RI80-E空心轴光电增量通用编码器机械特性
绝对最高转速:IP50:3,600 RPM,IP64:3,000 RPM
外壳材料:铝
RI80-E空心轴光电增量通用编码器电气特性
电源电压: 直流5V±10%或直流10V - 30V
最大空载电流: 150 mA(输出方式R,M,I); 80mA(输出方式K,V,C)
RI80-E空心轴光电增量通用编码器环境特性
工作温度:-20℃- +70℃
存储温度:-40℃- +80℃
RI80-E空心轴光电增量通用编码器技术参数
技术数据(机械)
|
外径
|
100mm
|
|
轴径
|
20`45mm
|
|
轴的固定
|
键槽、夹紧环
|
|
法兰(外壳的安装)
|
双弹簧片
|
|
防护等级
|
IP50或IP64
|
|
最高转速
|
3600rpm(IP50)
3000rpm(IP64)
|
|
启动转矩
|
IP50:10Ncm,IP64:17Ncm
|
|
转动惯量
|
240kgmm2
|
|
允许最大轴负载
|
轴向:20N
径向:40N
|
|
抗振动
|
100m/s2(10`2000Hz)
|
|
抗冲击
|
1000m/s2(6ms)
|
|
工作温度
|
-20℃`+70℃
|
|
存储温度
|
-40℃`+80℃
|
|
外壳材料
|
铝(表面喷塑)
|
|
重量
|
约1000g
|
技术数据(电气)
|
总体设计
|
按照 DIN EN61010-1,防护等级 III,污染等级2,过电压等级 II
|
|
电源电压
|
直流5V±10% 或直流10`30V 1
|
|
最大消耗电流
|
输出方式(R,M,I):150mA
输出方式(K,V,C):80mA
|
|
最大脉冲频率
|
<2500PPR:100kHz;2500-6000PPR:200kHz;>6000PPR:400kHz
|
标准
输出版本
|
输出方式(R,M,I):A,B,Z,A,B,Z
输出方式(K,V,C):A,B,Z
|
|
最大电流
|
输出方式(R,M,I):20mA
输出方式(K,V,C):30mA
|
|
电气连接
|
15脚SUB-D插座,径向电缆
|
1 直流10-30V编码器带极性保护
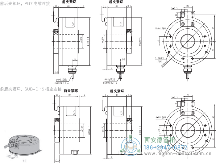
RI80-E空心轴光电增量通用编码器外形及安装尺寸
引脚分配 电缆
|
颜色
|
输出方式(R,M,I)
|
输出方式(K,V,C)
|
|
白色
|
通道A
|
通道A
|
|
粉色
|
通道A
|
|
|
绿色
|
通道B
|
通道B
|
|
兰色
|
通道B
|
|
|
黄色
|
通道Z
|
通道Z
|
|
橙色
|
通道Z
|
|
|
红色
|
直流5V/10`30V
|
直流10`30V
|
|
黑色
|
GND
|
GND
|
|
屏蔽1
|
屏蔽1
|
屏蔽1
|
1 缺省电缆屏蔽不接编码器外壳,客户可以按照要求选择特殊选项2。
引脚分配 SUB-D 15 输出
|
引脚
|
信号
|
|
1
|
B
|
|
2
|
B
|
|
3
|
A
|
|
4
|
A
|
|
5
|
GND
|
|
6
|
+UB
|
|
7
|
NC
|
|
8
|
屏蔽
|
|
9
|
Z
|
|
10
|
Z
|
|
11
|
NC
|
|
12
|
NC
|
|
13
|
NC
|
|
14
|
NC
|
|
15
|
NC
|
RI80-E空心轴光电增量通用编码器订货说明
在订货时我们需要确认用户所购买的RI80-E空心轴光电增量通用编码器的相关参数,以免给您造成不必要的损失。以下是订货时需要确认的一些参数,以及参数说明,供您参考选型。
|
型号
|
脉冲数1
|
供电电压
|
保护等级
|
安装方式5
|
孔径
|
输出方式7
|
连接
|
特殊选项1
|
特殊选项2
|
|
□
|
/□
|
□
|
□
|
□
|
□
|
□
|
□
|
□
|
□
|
|
RI80-E
|
250 4096
256 5000
500 6000
512 7200
1000 8000
1024 8192
2000 9000
2048 10000
2500
|
A 直流 5V2
E 直流 10V`30V3
|
1 IP50
4 IP64
|
K 键槽4
D 前夹紧环
H 后夹紧环
|
20 20mm
24 24mm
25 25mm
28 28mm
30 30mm
38 38mm
40 40mm
42 42mm
45 45mm
|
R 驱动器输出(直流5V)
-----------
K 推挽输出(直流10~3oV )
M 驱动器输出(直流10`30V输入,5V输出)
V 电压输出(直流10~30V )
I 推挽互补(直流10~30v )
C 集电极开路
(直流10~30V )
|
B 电缆,径向
4 SUB-D 156
|
缺省1.5m
-D0 3m
-F0 5m
-K0 10m
-P0 15m
-U0 20m
-V0 25m
|
缺省屏蔽不接壳
-G 屏蔽接壳
-CG 屏蔽接壳,壳与0V之间接630V 0.01μF电容
|
1 应请求可提供更高脉冲数。
2 直流5V,仅用于输出方式R。
3 直流10~30V,仅用于输出方式K,M,V,I,C。
4 键槽安装,仅提供30mm孔径。
5 包装盒内配有两个弹簧片和安装螺钉。
6 SUB-D15插头输出,外壳只能达到IP50。
7 输出方式V和C,电缆长度不能超过10m。