|
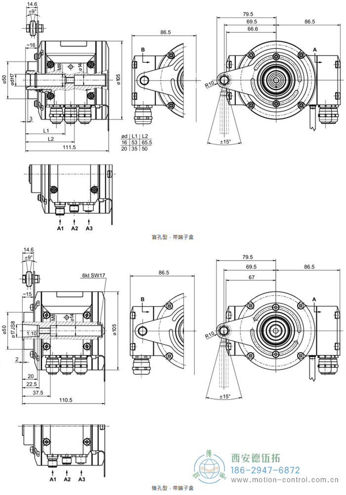
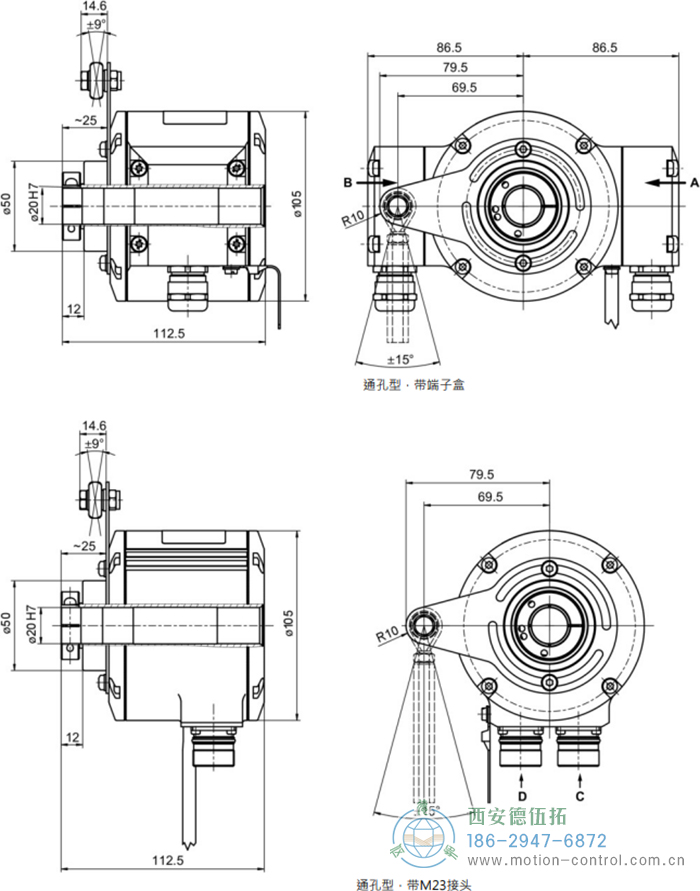
尺寸(法兰)
|
ø105 mm
|
|
轴类型
|
HMG10-B - CANopen®:
ø16…20 mm (盲孔型)
ø17 mm (锥孔型 1:10)
HMG10-B - DeviceNet:
ø16…20 mm (盲孔型)
ø17 mm (锥孔型 1:10)
HMG10-B - EtherCAT:
ø16…20 mm (盲孔型)
ø17 mm (锥孔型 1:10)
HMG10-B - EtherNet/IP:
ø16…20 mm (盲孔型)
ø17 mm (锥孔型 1:10)
HMG10-B - Profibus DP:
ø16…20 mm (盲孔型)
ø17 mm (锥孔型 1:10)
HMG10-B - PROFINET:
ø16…20 mm (盲孔型)
ø17 mm (锥孔型 1:10)
HMG10-B - SSI:
ø16…20 mm (盲孔型)
ø17 mm (锥孔型 1:10)
HMG10-T - CANopen®:
ø16…20 mm (通孔型)
HMG10-T - DeviceNet:
ø16…20 mm (通孔型)
HMG10-T - EtherCAT:
ø16…20 mm (通孔型)
HMG10-T - EtherNet/IP:
ø16…20 mm (通孔型)
HMG10-T - PROFINET:
ø16…20 mm (通孔型)
HMG10-T - SSI:
ø16…20 mm (通孔型)
|
|
法兰
|
力矩臂支架,可360°任意定位
|
|
防护等级(EN 60529)
|
IP 66 / IP 67
|
|
运行速度
|
HMG10-B - CANopen®:
≤6000 rpm
HMG10-B - DeviceNet:
≤6000 rpm
HMG10-B - EtherCAT:
≤6000 rpm
HMG10-B - EtherNet/IP:
≤6000 rpm
HMG10-B - Profibus DP:
≤6000 rpm
HMG10-B - PROFINET:
≤6000 rpm
HMG10-B - SSI:
≤12000 rpm
HMG10-T - CANopen®:
≤6000 rpm
HMG10-T - DeviceNet:
≤6000 rpm
HMG10-T - EtherCAT:
≤6000 rpm
HMG10-T - EtherNet/IP:
≤6000 rpm
HMG10-T - Profibus DP:
≤6000 rpm
HMG10-T - PROFINET:
≤6000 rpm
HMG10-T - SSI:
≤12000 rpm
|
|
超速值范围
|
ns (关闭) = ±2…6000 rpm
|
|
典型运行转矩
|
10 Ncm
|
|
转子惯量
|
950 gcm²
|
|
允许轴负载
|
≤450 N 轴向
≤650 N 径向
|
|
材质
|
外壳:铝合金
轴:不锈钢
|
|
防腐蚀保护
|
IEC 60068-2-52 盐雾试验
室温条件下防腐等级达到ISO 12944-2 CX (C5-M)
|
|
工作温度
|
-40…+85 °C
|
|
相对湿度
|
95% (不结露)
|
|
耐抗性
|
IEC 60068-2-6
抗振动30 g,10-2000 Hz
IEC 60068-2-27
抗冲击400 g,1 ms
|
|
近似重量
|
HMG10-B - CANopen®:
2,2 kg (视版本而定)
HMG10-B - DeviceNet:
2,2 kg (视版本而定)
HMG10-B - EtherCAT:
2,2 kg (视版本而定)
HMG10-B - EtherNet/IP:
2,2 kg (视版本而定)
HMG10-B - Profibus DP:
2,2 kg (视版本而定)
HMG10-B - PROFINET:
2,2 kg (视版本而定)
HMG10-B - SSI:
1,6 kg (视版本而定)
HMG10-T - CANopen®:
2,2 kg (视版本而定)
HMG10-T - DeviceNet:
2,2 kg (视版本而定)
HMG10-T - EtherCAT:
2,2 kg (视版本而定)
HMG10-T - EtherNet/IP:
2,2 kg (视版本而定)
HMG10-T - Profibus DP:
2,2 kg (视版本而定)
HMG10-T - PROFINET:
2,2 kg (视版本而定)
HMG10-T - SSI:
1,6 kg (视版本而定)
|
|
连接
|
HMG10-B - CANopen®:
总线分线盒
端子盒,带增量输出
HMG10-B - DeviceNet:
总线分线盒
端子盒,带增量输出
HMG10-B - EtherCAT:
总线分线盒
端子盒,带增量输出
HMG10-B - EtherNet/IP:
总线分线盒
端子盒,带增量输出
HMG10-B - Profibus DP:
总线分线盒
端子盒,带增量输出
HMG10-B - PROFINET:
总线分线盒
端子盒,带增量输出
HMG10-B - SSI:
端子盒
M23 法兰接头
HMG10-T - DeviceNet:
总线分线盒
端子盒,带增量输出
HMG10-T - EtherCAT:
总线分线盒
端子盒,带增量输出
HMG10-T - EtherNet/IP:
总线分线盒
端子盒,带增量输出
HMG10-T - Profibus DP:
总线分线盒
端子盒,带增量输出
HMG10-T - PROFINET:
总线分线盒
端子盒,带增量输出
HMG10-T - SSI:
端子盒
M23 法兰接头
|