PMG10绝对值重载编码器
摘要:新一代PMG10绝对值重载编码器博采众长,开创性地将久经考验的两端式轴承设计、高精度磁感应技术以及堡盟独有的MicroGen自发电专利技术集于一身。MicroGen多圈感应技术在重载领域已成功使用了超过10年。

PMG10绝对值重载编码器
臻于完美的功能性,出色的耐用性,适用于恶劣的应用场合
为绝对值重载编码器树立新标准。
久经考验的重载设计和两端式轴承设计
超坚固型磁式单圈感应技术,精度堪比光感应系统
自发电重载多圈计数器,无需电池和齿轮
PMG10绝对值重载编码器的优势
新一代PMG10绝对值重载编码器博采众长,开创性地将久经考验的两端式轴承设计、高精度磁感应技术以及堡盟独有的MicroGen自发电专利技术集于一身。MicroGen多圈感应技术在重载领域已成功使用了超过10年。HMG 10/PMG 10系列为绝对值重载编码器树立了新的标准:出色的坚固性、更高的性价比以及此前需要使用光感应技术才能达到的高精度。
1、即便在苛刻的环境条件下,也具有很高的可用性和超长的使用寿命
久经考验的重载设计;两端式轴承;重载连接技术;坚固的感应技术
2、在任何环境下确保故障安全
坚固耐用的铝制或不锈钢外壳;出色的耐腐蚀性(防腐等级达C5-M);长期稳定的密封设计;工作温度范围:-40 ... +95 °C
3、有效防止轴承受损
两端式轴承设计(只要可行):宽间隙式大尺寸轴承,高承载潜力,可承受高径向和轴向负载;采用陶瓷滚珠混合轴承,无感应轴电流
4、提高应用中的控制性能,优化过程控制
超坚固型磁式单圈位置检测技术,精度堪比光感应系统;额外的高精度增量信号;出色的电磁兼容性
5、无需维护
MicroGen自发电重载多圈计数器——无易损件,无需电池和齿轮
6、防爆认证
如有需要,可提供通过ATEX认证(Ex II 3G / 3D)、适用于2区的版本
7、应用领域
绝对值重载编码器可检测各种轴的绝对角位置,例如电机的转子轴或集装箱起重机上的电缆卷筒。单圈编码器检测编码器轴旋转一圈内的绝对位置,而多圈编码器则记录编码器轴转动的圈数。通常情况下,在调试期间就可以设定绝对值编码器轴的参考位置,因此在系统重新上电后无需重新设置参考零点。
除了可以通过SSI或现场总线等串行数字接口输出绝对位置,绝对值重载编码器还能输出增量位置(例如HTL / TTL信号),这样便于带增量信号输入的转速控制器进行处理。同时,还可以提供带超速开关的个性化重载编码器,该组合可在转速过高或过低时上报一个开关量输出信号。
绝对值重载编码器具有很高的机械承载潜力和出色的坚固性与耐用性,即便在苛刻的环境条件下也能确保可靠运行。
其应用领域包括:钢铁厂和轧钢厂、港口设备和起重机技术、电动葫芦和升降平台、地下和露天采矿、物料搬运设备、大型传动装置和发电机、风力发电机
PMG10绝对值重载编码器采用的先进技术
1、自发电重载多圈计数器
独特的MicroGen重载微型自发电机构受专利保护,可直接从编码器轴的转动中直接获得能量。
能够长期持续运行,无需电池或齿轮。
无易损件,无需任何维护。
在过去10年里,这种自发电多圈计数器在要求苛刻的重载应用中久经考验,是堡盟重载绝对值旋转编码器的核心部件。
2、长期稳定的密封设计
精密的堡盟重载密封设计可在很宽的温度范围(高达+95 °C)内实现P 66和IP 67防护等级。
先进的迷宫式密封和轴封组合可以长期保护重载编码器不被各种固体物、湿气和粘性污染物所影响。
3、出色的耐海水腐蚀保护
凭借最优化的材料组合和耐腐蚀性出色的涂层,堡盟重载旋转编码器非常适合在近海和海上等腐蚀性环境中长期可靠使用。
按照EN ISO 12944标准,其防腐蚀等级达到C4或 CX (C5-M)。
如有需要,可提供适用于北极、热带、沙漠等地区的特殊设备。
4、久经考验的重载设计
凭借极其坚固的外壳设计,堡盟重载编码器具有超长的使用寿命和无与伦比的可靠性。
这些坚固的实心厚壁外壳能够完美地抵御外部环境影响,
而其抗扭结构设计则能够承受较高的冲击和振动载荷。
5、超坚固型高精度绝对值磁式单圈感应技术
磁式单圈感应单元即便在高温和恶劣条件下也能提供高精度(增量)信号,以确保出色的控制性能。
精度可媲美光感应技术。
最大限度提高应用效率并优化过程控制。
6、高性能信号输出驱动器
增量式方波信号输出端配备了具有短路保护功能的高性能输出驱动器,以承受高达300 mA的峰值电流。
即便通过电缆长距离传输350 m( HTL-P)或550 m(TTL),也能确保可靠的信号质量。
7、最佳电磁兼容性
堡盟编码器采用霍伯纳柏林久经考验的重载技术,以及根据最新EMC技术进行优化的抗干扰设计。
所有产品通过了电快速瞬变脉冲群抗扰度试验,测试电压最高4 kV
8、可靠防止轴电流
如果将旋转编码器安装由变频器控制的电机上,编码器的滚珠轴承中可能出现电流过冲的现象。
润滑剂可能发生局部燃烧,润滑效果会受到影响。
采用电绝缘轴可以解决这种故障。
部分空心轴产品采用绝缘滚珠轴承或混合滚珠轴承,以防止轴电流。
可选配滑环接地触点,将电容性轴电流引导入地。
实心轴编码器则配备带绝缘中心的弹簧垫圈联轴器,以防止出现轴电流。
9、欧式法兰B10
欧式法兰B10是重载实心轴编码器的全球安装标准。
堡盟提供独一无二的编码器和测速发电机产品系列,均配备欧式法兰B10。
10、经久耐用的两端式轴承设计
凭借无与伦比的径向和轴向负载承受能力,堡盟两端式轴承设计几十年来在机电工程领域久经考验。
只要技术上可行,堡盟重载编码器都会采用两端式轴承设计,从而确保超长的使用寿命和极高的机械承载潜力。
PMG10绝对值重载编码器产品系列:
1、PMG10 - CANopen®
2、PMG10 - DeviceNet
3、PMG10 - EtherCAT
4、PMG10 - EtherNet/IP
5、PMG10 - Profibus DP
6、PMG10 - PROFINET
7、PMG10 - SSI
PMG10绝对值重载编码器技术参数
技术数据 – 电气参数
|
电源电压
|
PMG10 - CANopen®:
10…30 VDC
PMG10 - DeviceNet:
10…30 VDC
PMG10 - EtherCAT:
10…30 VDC
PMG10 - EtherNet/IP:
10…30 VDC
PMG10 - Profibus DP:
10…30 VDC
PMG10 - PROFINET:
10…30 VDC
PMG10 - SSI:
4.75…30 VDC
|
|
短路保护
|
是
|
|
电流消耗(无负载)
|
PMG10 - CANopen®:
≤200 mA
PMG10 - DeviceNet:
≤200 mA
PMG10 - EtherCAT:
≤200 mA
PMG10 - EtherNet/IP:
≤200 mA
PMG10 - Profibus DP:
≤200 mA
PMG10 - PROFINET:
≤200 mA
PMG10 - SSI:
≤100 mA (SSI)
|
|
初始化时间
|
≤ 500 ms (上电后)
|
|
接口
|
PMG10 - CANopen®
CANopen®
PMG10 - DeviceNet:
DeviceNet
PMG10 - EtherCAT:
EtherCAT
PMG10 - EtherNet/IP:
EtherNet/IP
PMG10 - Profibus DP:
Profibus-DPV0/V2
PMG10 - PROFINET:
PROFINET
PMG10 - SSI:
SSI
|
|
功能
|
多圈
|
|
传输速率
|
PMG10 - CANopen®:
10 … 1000 kBaud
PMG10 - DeviceNet:
125 … 500 kBaud
PMG10 - EtherCAT:
100 MBaud
PMG10 - EtherNet/IP:
100 MBaud
PMG10 - Profibus DP:
9,6 … 12000 kBaud
PMG10 - PROFINET:
100 MBaud
|
|
设备地址
|
PMG10 - CANopen®:
旋转开关在总线分线盒内
PMG10 - DeviceNet:
旋转开关在总线分线盒内
PMG10 - EtherCAT:
自动地址分配
PMG10 - EtherNet/IP:
16进制旋转编码开关在接线盒内或带“BOOTP/DHCP工具”
PMG10 - Profibus DP:
旋转开关在总线分线盒内
PMG10 - PROFINET:
自动地址分配
|
|
每圈步数
|
PMG10 - CANopen®
8192 / 13位
PMG10 - DeviceNet:
8192 / 13位
PMG10 - EtherCAT:
8192 / 13位
PMG10 - EtherNet/IP:
8192 / 13位
PMG10 - Profibus DP:
8192 / 13位
PMG10 - PROFINET:
8192 / 13位
PMG10 - SSI:
1048576 / 20位
|
|
圈数
|
PMG10 - CANopen®
65536 / 16位
PMG10 - DeviceNet:
65536 / 16位
PMG10 - EtherCAT:
65536 / 16位
PMG10 - EtherNet/IP:
65536 / 16位
PMG10 - Profibus DP:
65536 / 16位
PMG10 - PROFINET:
65536 / 16位
PMG10 - SSI:
1048576 / 20位
|
|
额外的输出信号
|
方波 TTL/HTL,TTL/RS422
|
|
感应原理
|
磁式
|
|
编码
|
PMG10 - SSI:
格雷码或二进制码
|
|
编码顺序
|
顺时针 (出厂设置)
|
|
输入信号
|
SSI时钟,预设值,旋转方向
|
|
抗干扰性
|
EN 61000-6-2
|
|
辐射干扰
|
EN 61000-6-3
|
|
可设置参数
|
每圈步数
圈数
预设值,比例,旋转方向
|
|
诊断功能
|
PMG10 - CANopen®:
位置或参数错误
PMG10 - DeviceNet:
位置或参数错误
PMG10 - EtherCAT:
位置或参数错误
PMG10 - EtherNet/IP:
位置或参数错误
PMG10 - Profibus DP:
位置或参数错误
PMG10 - PROFINET:
位置或参数错误
PMG10 - SSI:
功能控制
|
|
状态指示灯
|
PMG10 - CANopen®:
DUO-LED (集成在总线分线盒中),设备背部有4个LED
PMG10 - DeviceNet:
DUO-LED (集成在总线分线盒中),设备背部有4个LED
PMG10 - EtherCAT:
DUO-LED (集成在总线分线盒中),设备背部有4个LED
PMG10 - EtherNet/IP:
DUO-LED和链路/活动LED (集成在总线分线盒中),设备背部有4个LED
PMG10 - Profibus DP:
DUO-LED (集成在总线分线盒中),设备背部有4个LED
PMG10 - PROFINET:
DUO-LED和链路/活动LED (集成在总线分线盒中),设备背部有4个LED
PMG10 - SSI:
设备背部有4个LED
|
|
认证
|
CE
UL认证 / E217823
EAC
|
技术数据 – 机械参数
|
尺寸(法兰)
|
ø115 mm
|
|
轴类型
|
ø11 mm 实心轴
|
|
法兰
|
欧式法兰B10
外壳支脚 (B3)
|
|
防护等级(EN 60529)
|
IP 66 / IP 67
|
|
运行速度
|
PMG10 - CANopen®:
≤6000 rpm
PMG10 - DeviceNet:
≤6000 rpm
PMG10 - EtherCAT:
≤6000 rpm
PMG10 - EtherNet/IP:
≤6000 rpm
PMG10 - Profibus DP:
≤6000 rpm
PMG10 - PROFINET:
≤6000 rpm
PMG10 - SSI:
≤12000 rpm
|
|
超速值范围
|
ns (关闭) = ±2…6000 rpm
|
|
典型运行转矩
|
10 Ncm
|
|
转子惯量
|
1 kgcm²
|
|
允许轴负载
|
≤450 N 轴向
≤650 N 径向
|
|
材质
|
外壳:铝合金
轴:不锈钢
|
|
防腐蚀保护
|
IEC 60068-2-52 盐雾试验
室温条件下防腐等级达到ISO 12944-2 CX (C5-M)
|
|
工作温度
|
-40…+85 °C
|
|
相对湿度
|
95% (不结露)
|
|
耐抗性
|
IEC 60068-2-6
抗振动30 g,10-2000 Hz
IEC 60068-2-27
抗冲击400 g,1 ms
|
|
近似重量
|
PMG10 - CANopen®:
2,7 kg (视版本而定)
PMG10 - DeviceNet:
2,7 kg (视版本而定)
PMG10 - EtherCAT:
2,7 kg (视版本而定)
PMG10 - EtherNet/IP:
2,7 kg (视版本而定)
PMG10 - Profibus DP:
2,7 kg (视版本而定)
PMG10 - PROFINET:
2,7 kg (视版本而定)
PMG10 - SSI:
1,9 kg (视版本而定)
|
|
连接
|
PMG10 - CANopen®:
总线分线盒
端子盒,带增量输出
PMG10 - DeviceNet:
总线分线盒
端子盒,带增量输出
PMG10 - EtherCAT:
总线分线盒
端子盒,带增量输出
PMG10 - EtherNet/IP:
总线分线盒
端子盒,带增量输出
PMG10 - Profibus DP:
总线分线盒
端子盒,带增量输出
PMG10 - PROFINET:
总线分线盒
端子盒,带增量输出
PMG10 - SSI:
端子盒
M23 法兰接头
|
PMG10绝对值重载编码器外形及安装尺寸
PMG10 - CANopen®
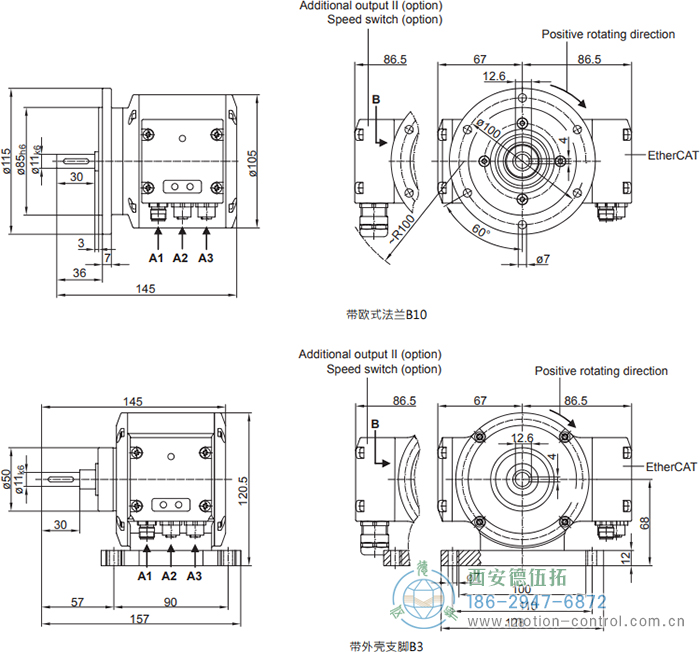
ø11 mm实心轴,带欧式法兰B10或外壳支脚 (B3)
PMG10 - DeviceNet
ø11 mm实心轴,带欧式法兰B10或外壳支脚 (B3)
PMG10 - EtherCAT
ø11 mm实心轴,带欧式法兰B10或外壳支脚 (B3)
PMG10 - EtherNet/IP
ø11 mm实心轴,带欧式法兰B10或外壳支脚 (B3)
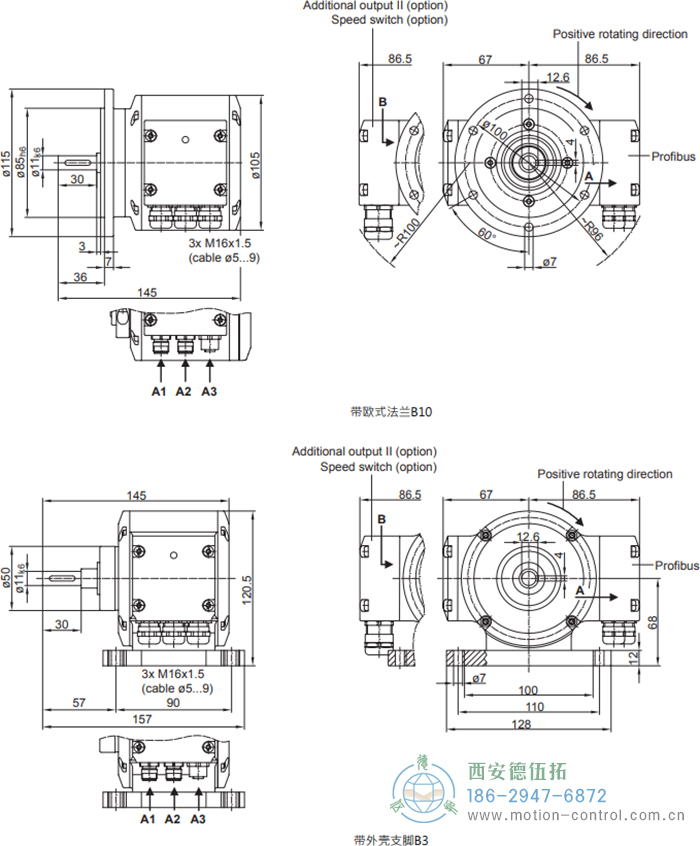
PMG10 - Profibus DP
ø11 mm实心轴,带欧式法兰B10或外壳支脚 (B3)
PMG10 - PROFINET
ø11 mm实心轴,带欧式法兰B10或外壳支脚 (B3)
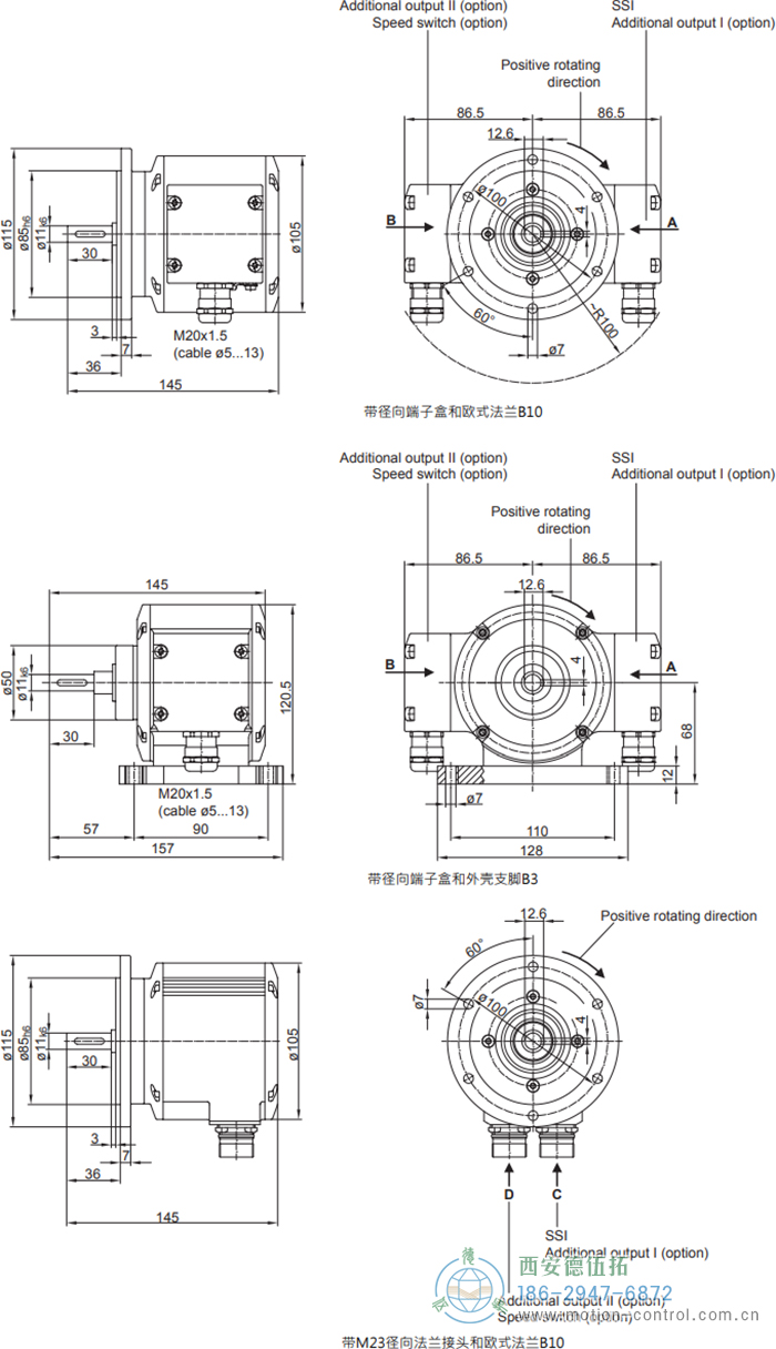
PMG10 - SSI
ø11 mm实心轴,带欧式法兰B10或外壳支脚 (B3)
PMG10绝对值重载编码器订货选型参考
在订货时我们需要确认用户所购买的PMG10绝对值重载编码器的相关参数,以免给您造成不必要的损失。以下是订货时需要确认的一些参数,以及参数说明,供您参考选型。
PMG10 - CANopen®
ø11 mm实心轴,带欧式法兰B10或外壳支脚 (B3)
PMG10 - DeviceNet
ø11 mm实心轴,带欧式法兰B10或外壳支脚 (B3)
PMG10 - EtherCAT
ø11 mm实心轴,带欧式法兰B10或外壳支脚 (B3)
PMG10 - EtherNet/IP
ø11 mm实心轴,带欧式法兰B10或外壳支脚 (B3)
PMG10 - Profibus DP
ø11 mm实心轴,带欧式法兰B10或外壳支脚 (B3)
PMG10 - PROFINET
ø11 mm实心轴,带欧式法兰B10或外壳支脚 (B3)
PMG10 - SSI
ø11 mm实心轴,带欧式法兰B10或外壳支脚 (B3)